概述
VSK牌VTSC系列可控硅快速投切调节器(以下简称调节器)是我公司最新开发的具有国际先进技术水平的高科技产品,技术已申请专利(专利号:ZL201120157463.0),是目前国内唯一一家能够对电力并联电容器进行快速瞬时投切的电子型功率器件模块,产品通过天津电气传动研究所权威测试(50Hz响应速度<10mS),具有无限次数的开关操作寿命,本开关具有安装简单、维护方便、响应速度快、投切无涌流、工作无噪声运行稳定可靠、欠压保护、过温度保护等特点。 使用电子开关元件快速投/切电容器组;对电网的每一周波进行无功功率补偿(总响应时间5~10ms);防止电压跌落和闪烁;防止灵敏电子设备的损坏;延长开关器件及电容器的使用寿命;独特的自诊断和报告功能。是无功功率动态补偿装置投切电力电容器组的理想电子型功率开关器件。
VTSC系列大功率无触点开关是一种智能化的控制执行部件,被广泛用于电容器组、L-C滤波器组的快速频繁投切。特别适合一些负荷变化快、波动频繁、要求比较高的现场。该产品是无机械触点的电子开关,可跟踪负载电流变化,对电力电容器组采用过零快速投切,具有投入无涌流、切除无过压、无电弧重燃、无噪音、响应时间快、使用寿命长、维修量小、可频繁投切等特点。并且具备过温保护、运行指示和投切指示等功能。
使用的场合如汽车工业、船舶制造业的电焊机、焊接机、钢铁工业中的焊接设备、压轧生产线、起重机、注塑机、喷涂设备、精密电子设备及油田、港口、码头等需要实时补偿的场合。
型号说明

产品特点
◆过零投切、无涌流、无火花产生,响应时间≤10ms。
◆具有过温保护,超温闭锁功能。
◆允许频繁投切,维护简单方便。
◆采用脉冲变压器触发电路。性能稳定、可靠。技术特点
VTSC大功率可控硅快速投切开关其电气结构主要由控制电路、大功率反并连晶闸管模块、隔离电路、同步电路、触发电路、保护电路、驱动电路组成。控制电路采用光电隔离技术,驱动电路采用进口反并联晶闸管模块,具有工作稳定、抗干扰能力强等特点。当控制器发出控制信号后,晶闸管在过零点导通或截止,控制逻辑电压OV(截止)、-12V(导通)。从而实现相应电容器的投入与切除。
采用专用触发控制电路。触发板输出的触发脉冲对称度高,抗干扰能力强。触发板由电源电路、导通比设定电路,导通比周期设定电路、过零检测电路、输入信号转换电路等单元组成。与传统的触发电路相比,具有过零触发稳定可靠、抗干扰能力强、触发功率大等特点。
常规型号
|
型号/参数 |
额定电压 (kV) |
额定频率 (Hz) |
补偿容量 (kvar) |
控制电压 |
|
VTSC 0.4-10-3 |
0.4 |
50/60 |
10 |
(9-12V DC.) 5mA |
|
VTSC 0.4-15-3 |
0.4 |
50/60 |
15 |
(9-12V DC.) 5mA |
|
VTSC 0.4-20-3 |
0.4 |
50/60 |
20 |
(9-12V DC.) 5mA |
|
VTSC 0.4-25-3 |
0.4 |
50/60 |
25 |
(9-12V DC.) 5mA |
|
VTSC 0.4-30-3 |
0.4 |
50/60 |
30 |
(9-12V DC.) 5mA |
|
VTSC 0.4-40-3 |
0.4 |
50/60 |
40 |
(9-12V DC.) 5mA |
|
VTSC 0.4-50-3 |
0.4 |
50/60 |
50 |
(9-12V DC.) 5mA |
|
VTSC 0.4-60-3 |
0.4 |
50/60 |
60 |
(9-12V DC.) 5mA |
|
*VTSC 0.4-80-3 |
0.4 |
50/60 |
80 |
(9-12V DC.) 5mA |
|
VTSC0.25-5-1/3 |
0.23 |
50/60 |
3×5 |
(9-12V DC.) 5mA |
|
VTSC0.25-10-1/3 |
0.23 |
50/60 |
3×10 |
(9-12V DC.) 5mA |
|
VTSC0.25-15-1/3 |
0.23 |
50/60 |
3×15 |
(9-12V DC.) 5mA |
|
VTSC0.25-20-1/3 |
0.23 |
50/60 |
3×20 |
(9-12V DC.) 5mA |
注:带*号为特型产品,需订制。 VTSC 0.4-X-3为共补开关。VTSC 0.25- X- 1/3为分补开关。
技术参数
◆ 额定电压:400V AC.,660V AC.
◆ 控制信号:12V DC. 5mA
◆ 响应时间:≤10ms(三相全部投入时间)
◆ di/dt≥500A/μs dv/dt≥1000v/μs
◆ 功耗:管压降≤2.0V
◆ 工作电源:~220V 、~380V(需订制)
环境条件
◆ 环境温度:-20~+50 ℃,24小时内平均温度不超过+35 ℃
◆ 贮存温度:-25~+70 ℃
◆ 相对湿度:不超过85%
◆ 大气压力:80~110kPa
◆ 周围介质中不应含有腐蚀金属和破坏绝缘的气体及导电介质,不允许充满水蒸汽及有较严重的霉菌存在
◆ 使用地点应具有防御雨、雪、风、沙、灰的设施
结构及外形尺寸
|
产品型号
|
外形尺寸
(宽×高×深)
|
嵌入深度
|
|
40kvar及以下容量
|
155×180×180
|
35
|
|
45kvar以上容量
|
155×215×180
|
35
|
注:以一次回路接线方向为“高”的方向。
外形及安装尺寸图



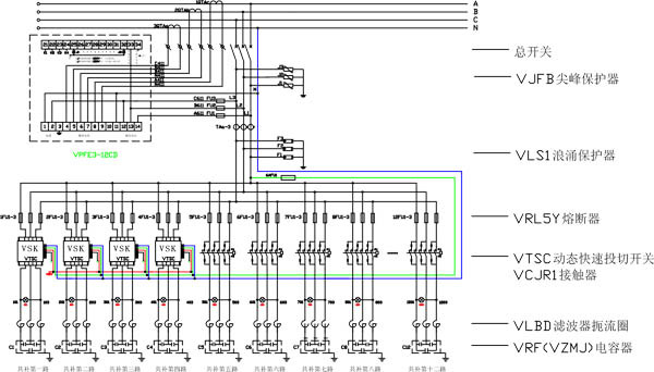
接线图




